Honda Ht 3810 : Honda lawn mower user manual (81 pages) lawn mower honda h3013h owner's manual.

Honda Ht 3810 : Honda lawn mower user manual (81 pages) lawn mower honda h3013h owner's manual.. Honda lawn mower user manual (77 pages) lawn mower honda harmony h2013hda owner's manual. View and download honda ht3810 owner's manual online. It has a single cylinder air cooled 10hp engine. View details get shipping quotes get insurance apply for financing honda ht3810. Honda lawn tractor owner's manual.

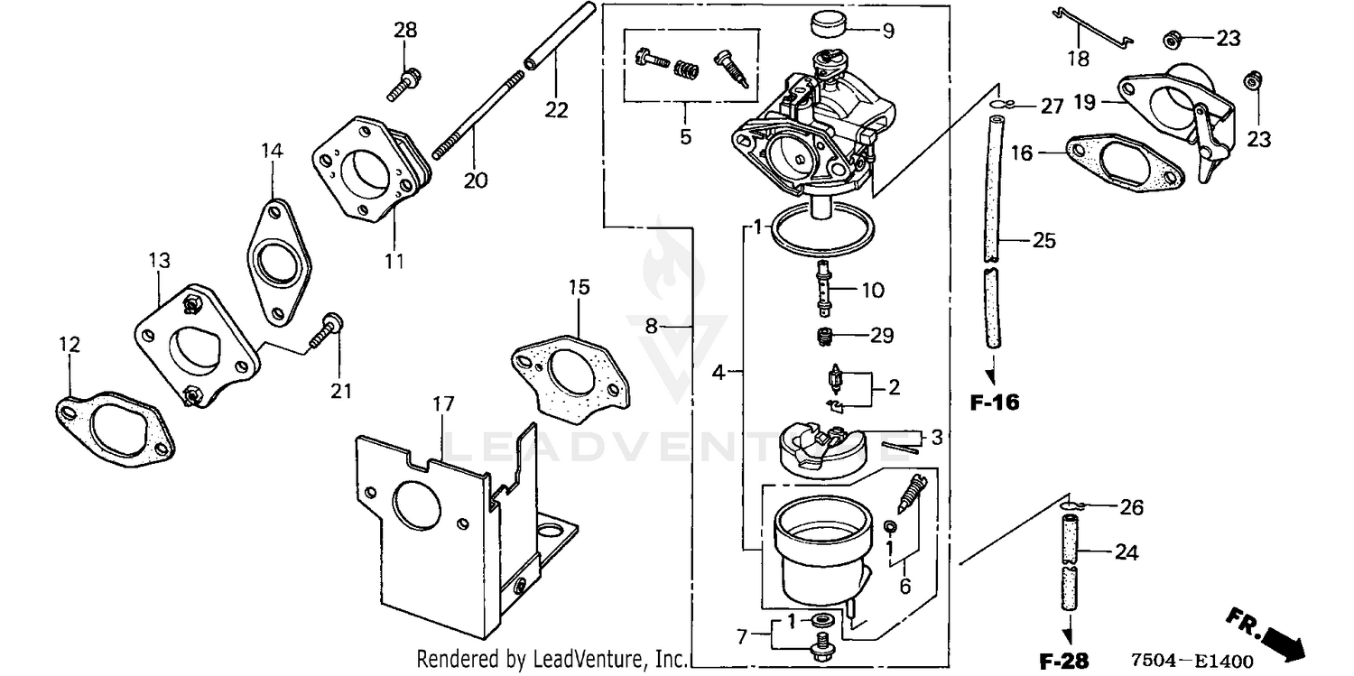
These are the most commonly purchased repair parts for ht3810. This tractor was manufactured by hondan from 1985 to 1989. It has a single cylinder air cooled 10hp engine. It is easy and free Honda h4013 lawn tractor parts;

1 Genuine Honda Ht3810 Lawn Tractor Mower Factory Service Repair Shop Manual Oem For Sale Online Ebay
1 Genuine Honda Ht3810 Lawn Tractor Mower Factory Service Repair Shop Manual Oem For Sale Online Ebay from i.ebayimg.com
Honda h4514 h4518 lawn tractor parts; Lawn mower honda ht3810 owner's manual. Honda rt5000 h5013 h5518 tractor parts; It is easy and free Pełne specyfikacje techniczne producenta honda lawn tractors honda ht3810. Ht3810 lawn mower pdf manual download. I was told it had a rod knock, guess we will soon find out. Honda h6522 compact tractor 4x4 parts;

I can't find specs on that yet.

This tractor was manufactured by hondan from 1985 to 1989. Mon, aug 26, 2019 11:48 am. I was told it had a rod knock, guess we will soon find out. Honda ha4118 ha4120 lawn tractor parts; 5 out of 5 stars. What else can i say. Every attempt is made to ensure the data listed is accurate. Shop online for oem p.t.o. The honda ht3810 lawn tractor features a g400, side valve, single cylinder, 4 stroke, gasoline engine, and five forward gears and reverse. My question is, what is the thickness limit on the friction disc. Unterstützung von 36.000+ modelle ab 1959. Lawn mower honda ht3810 owner's manual. Honda lawn mower user manual (81 pages) lawn mower honda h3013h owner's manual.

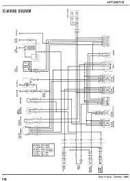
The honda ht3810 manual provides a diagram for all the controls and a description of what each one does, wiring diagram, maintenance and. I was told it had a rod knock, guess we will soon find out. Enter your serial number prefix (such as ht3810) in the search box to locate applicable shop manuals, parts catalogs, and free downloads. The honda ht3810 lawn tractor features a g400, side valve, single cylinder, 4 stroke, gasoline engine, and five forward gears and reverse. Honda lawn mower user manual (81 pages) lawn mower honda h3013h owner's manual.

Manual Honda Ht3810 Page 101 Of 101 German Italian
Manual Honda Ht3810 Page 101 Of 101 German Italian from www.libble.eu
What else can i say. I am having to work on the pto clutch on a ht3810 sa that i just bought. The honda ht3810 manual provides a diagram for all the controls and a description of what each one does, wiring diagram, maintenance and. Honda lawn mower user manual (81 pages) lawn mower honda h3013h owner's manual. It has a single cylinder air cooled 10hp engine. This tractor was manufactured by hondan from 1985 to 1989. Znajdź honda lawn tractors znajdź w pełni szczegółowe specyfikacje, wymiary i dane dotyczące wydajności ciągników honda lawn tractors. Einfach & schnell online bestellen!

The honda ht3810 is a 2wd lawn tractor from the ht series.

View and download honda ht3810 owner's manual online. These are the most commonly purchased repair parts for ht3810. The honda ht3810 lawn tractor features a g400, side valve, single cylinder, 4 stroke, gasoline engine, and five forward gears and reverse. Customs services and international tracking provided. You can adjust the lawn cutting height from 1 12 inches to 4 inches. Unterstützung von 36.000+ modelle ab 1959. The honda ht3810 manual provides a diagram for all the controls and a description of what each one does, wiring diagram, maintenance and. My question is, what is the thickness limit on the friction disc. Honda ht3810 h3813 h4213 lawn tractor parts; Honda h4013 lawn tractor parts; Every attempt is made to ensure the data listed is accurate. Honda ht3810 ride on lawn mower, honda gasoline. This tractor was manufactured by hondan from 1985 to 1989.

Lawn mower honda ht3810 owner's manual. It is easy and free Honda lawn mower user manual (81 pages) lawn mower honda h3013h owner's manual. There are (938) parts used by this model. Unterstützung von 36.000+ modelle ab 1959.

Honda Ht3810 Owner S Manual Pdf Download Manualslib
Honda Ht3810 Owner S Manual Pdf Download Manualslib from data2.manualslib.com
There are (938) parts used by this model. Honda riding mower ht 3810 driveshaft propeller shaft. Honda h4514 h4518 lawn tractor parts; Honda rt5000 h5013 h5518 tractor parts; Honda lawn tractor owner's manual. Znajdź honda lawn tractors znajdź w pełni szczegółowe specyfikacje, wymiary i dane dotyczące wydajności ciągników honda lawn tractors. Serial number stamped into the right side of the tractor's frame, above the front axle. The honda ht3810 manual provides a diagram for all the controls and a description of what each one does, wiring diagram, maintenance and.

Every attempt is made to ensure the data listed is accurate.

Honda hht25 hht31 hht35 trimmer parts; Mon, aug 26, 2019 11:48 am. Enter your serial number prefix (such as ht3810) in the search box to locate applicable shop manuals, parts catalogs, and free downloads. View and download honda ht3810 owner's manual online. Honda riding mower ht 3810 driveshaft propeller shaft. It is easy and free Honda lawn tractor owner's manual. Serial number stamped into the right side of the tractor's frame, above the front axle. Every attempt is made to ensure the data listed is accurate. I was told it had a rod knock, guess we will soon find out. Honda h6522 compact tractor 4x4 parts; I am having to work on the pto clutch on a ht3810 sa that i just bought. Honda ht3810 h3813 h4213 lawn tractor parts;

Posting Komentar

0 Komentar